Obecně se mikrodávkovací jednotka (Micro-Automatic-Dosing-Unit) používá pro dávkování minimálních množství maziv(Minimal Quantity Lubrication (MQL)) při řezání a jiných operacích s kovy.
Kapalné mazivo je dávkováno a přenášeno bez vytvoření mlhy na kontaktní zónu ve formě směsi mikroskopických kapek maziva a vzduchu, což významně redukuje tření a zahřívání.
MQL je definováno jako dávkování maziva které je menší než 50ml za hodinu činnosti. Díky širokému rozsahu regulace může každá dávkovací jednotka zařízení aplikovat více než 200ml maziva za hodinu a díky tomu může být zařízení použito také v případech, kdy je potřeba pokrýt velké povrchy. Vedle konvenčních maziv mohou být použity i jiné kapaliny za podmínky, že jsou vhodné pro dávkovací jednotku a doporučené firmou WERUCON.
Popis funkce(schéma viz obrázky):
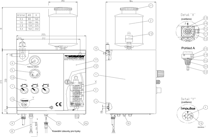
Mazivo teče gravitačním spádem ze zásobníku (2) do sacího otvoru dávkovacího čerpadla (3).
Čerpadla jsou poháněna tlakovým vzduchem. Při vstupu tlakového vzduchu do dávkovacího čerpadla píst tlačí zvolený objem dávkovaného maziva přes zpětný ventil do výtokového otvoru čerpadla. Po pneumatickém přepnutí vrací zpětná pružina ventil do nulové pozice. Tento postup ve trvale opakuje podle frekvence nastavení impulzního generátoru.(4). Délka zdvihu pístu stejně jako množství maziva dávkovaného na zdvih se nastavuje v daném rozsahu otočným reguláterem (3.1).
Mazivo je tlačeno z dávkovacího čerpadla (3) do vnitřní trubky koaxiálního kabelu(10). Tlakový vzduch regulovaný redukčním ventilem (5) je veden radiálně do koaxiálního kabelu (10).
Koaxiální zásuvka 3) (rychlospojka) spokuje dávkovací trysku3) s koaxiálním kabelem (10) přes trubku 3) . Kapalina / mazivo a tlakový vzduch jsou do dávkovací trysky přiváděny odděleně 3) . Trubka (sada) 3) se skládá z vnitřní a vnější trubky.Vnitřní (centrální) trubka vede mazivo, vnější vede tlakový vzduch.
Výstup maziva je alokován ve středu dávkovací trysky 3). Tlakový vzduch je veden okolo výstupu maziva kruhovým otvorem. Díky tomuto typu trysky je dosaženo vyjíměčně přesné opakovatelnosti jemného kuželového rozprášení směsi maziva a vzduchu formovaného za tryskou 3). Pro každé individuální použití může být kužel směsi nastaven pomocí regulace tlakového vzduchu regulačním ventilem (5).