Kompaktní dávkovací jednotka se používá všeobecně pro systémy minimálního mazání u třískového i beztřískového obrábění, lisování, sekání, ohýbání a pod.
Speciální mazací kapalina je přesně dávkována a dopravována jako směs vzduch-mazivo na kritické místo, kde výrazně redukuje tření a produkci tepla.
Minimální mazání (MQL) je definováno jak systém, kde průtok nepřesahuje 50 ml za hodinu.
Díky širokému rozsahu nastavení může KDE dávkovat i přes 200 ml za provozní hodinu. Z toho vyplývají další možnosti použití jako např. plošné nanášení kapalin, např. na pás.
Vedle současných řezných olejů můžete samozřejmě dávkovat i jiné kapaliny vhodné pro systémy minimálního mazání!
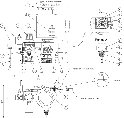
Popis funkce (schéma viz. obrázek):
Kapalina teče ze zásobníku (2) z důvodu gravitace do dávkovacího čerpadla (3). Toto čerpadlo je poháněno pneumaticky. Pokud je čerpadlo připojeno na tlakový vzduch, začne se píst automaticky pohybovat a dopravovat přesně definované množství kapaliny přes zpětný ventil k výstupu z čerpadla. Po přepnutí směru tlaku vzduchu se píst vrátí zpět do výchozí polohy. Tento proces se stále automaticky opakuje a jeho frekvence nastavitelná impulsním generátorem (4). Zdvih pístu a tím množství dopravované kapaliny na jeden zdvih se dá jemně nastavit otočným regulátorem (3.1) .
Kapalina je vedena z výstupu čerpadla (3) do středu koaxiálního konektoru na přístroji (10). Tlakový vzduch je veden přes regulátor tlaku (5) radiálně do konektoru na přístroji (10).
Koaxiální konektor 2) (rychlospojka) spojuje trysku 2) s konektorem na přístroji (10) a to ohebnou hadicí. Kapalina a tlakový vzduch jsou vedeny až k výstupu trysky odděleně. Hadice je tvořena vnitřní a vnější hadicí. Vnitřní hadice je určena pro kapalinu vnější pro tlakový vzduch.
Ve středu trysky je výstup kapaliny. Okolo této trysky je přesně definovaná kruhová mezera, kde vychází tlakový vzduch, který na principu fixírky přidává malé množství kapaliny a vytváří jemnou mlhu. Díky tomuto typu a konstrukci trysky je je zajištěny výjimečná opakovatelnost a přesnost rozprášení kapaliny. Úhel tvořeného trychtýře se dá nastavit regulátorem tlaku vzduchu (5).