Potřebujete poradit?
Česky English Magyar

Fulltextové vyhledávání

Vyhledat v katalogu

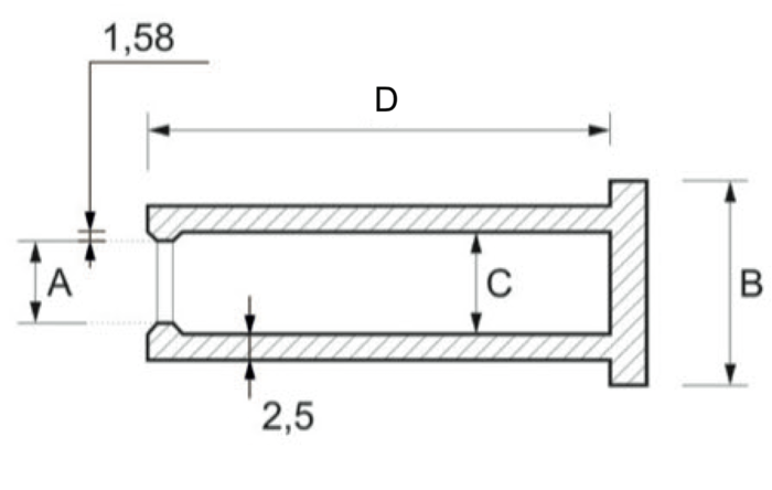
CE-0451-1215

Poptávkový formulář

Informace o odesílateli
Zpráva
Vámi zadané osobní údaje budeme zpracovávat za účelem odpovědi. Bližší informace naleznete v zásadách zpracování osobních údajů
Chráněno službou reCAPTCHA.
Zpět na přehled